
| Артикул | Описание | Цена за ед. | Наличие | Количество | Действия |
|---|---|---|---|---|---|
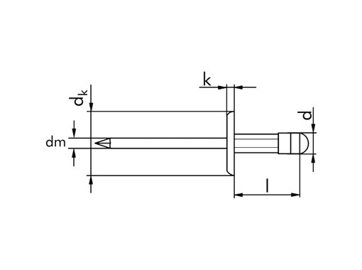
| 091504817 | Заклепка алюм./ сталь , 4,8 - 17,0мм | 90 ₸ | В наличии: 742 | ||
| 091504810 | Заклепка ALU/ST 4,8Х10 | 115 ₸ | В наличии: 504 | ||
| 091504825 | Заклепка с широкой шляпкой алюм./ сталь , d.4,8 L- 25,0мм, зажим 12-19,5 мм | 160 ₸ | В наличии: 223 |